arrowCall 866.426.5221 or Click Here for Questions/Quotes/Samples
Page 1 2 3 NEXT PAGE >
CONTROL / POINTER KNOBS

OEP Pointer Knobs are precision manufactured per your specific guidelines.
Hundreds of standard styles can be customized in a variety of ways: Custom plastic colors, several aluminum inlay colors, many hole sizes/configurations, indicator line colors, and more. Applications include measuring equipment, visual, audio, medical, dental, diagnostic, precision control, instrument, adjustment, tuning, and much more.
ROHS compliant, FDA, NSF available materials. Custom molding is also our specialty

LK-46077

Pointer Tuning Knob

Description
Plastic Knob
Material: Phenolic
Satin or chrome finish
6mm push-on
PART NO.
D
H
LK-46077
0.42"
0.61"

LK-4RN-204

Pointer Knob

Description
Plastic Knob
Material: Black phenolic
With 0.25" I. D. brass bushing; set screw; aluminum inlay
PART NO.
D
H
L
LK-4RN-204
0.915"
0.760"
1.35"

43001

Pointer Knob

Description
Plastic Knob
Material: ABS
With paint filled indicator line on triangular point
With lateral screw fixing
PART NO.
D
d1
d2
H
h1
h2
l1
43001-1
11.5
4
9.5
10.5
1.2
9.0
8.5
43001-2
20.0
6
16.0
15.5
3.5
13.5
13.5

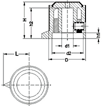
43002

Pointer Knob

Description
Plastic Knob
Material: Black phenolic
With paint filled indicator line on triangular point
With lateral screw fixing
PART NO.
D
d1
d2
H
h1
h2
l1
43002-1
20
4
13.6
15.5
3.5
13.5
13.5
43002-2
20
6
13.6
15.5
3.5
13.5
13.5

43003

Pointer Knob

Description
Plastic Knob
Material: Black phenolic
With lateral screw fixing and spun aluminum inlay
With snapped-in indicator nose
PART NO.
D
d1
d2
H
h1
h2
l1
l2
43003-1
20
6
12.0
16
3.5
13
16
10
43003-2
24
6
15.5
16
3.5
13
18
12
43003-3
28
6
20.5
16
3.5
13
20
14

43004

Pointer Knob

Description
Plastic Knob
Material: Phenolic
Molded in brass stud assembled
With ABS cap. screw and stud
PART NO.
D
d
H
h
l1
l2
43004-1
18.5
6
24
11.5
20
20
43004-2
21.5
6
26
11.5
30
30

43005

Pointer Knob

Description
Plastic Knob
Material: Phenolic
Brass insert with set screw
White epoxy painted indicator
PART NO.
D
d1
d2
H
h1
h2
l1
l2
43005
21
6
17
19.5
6
18
13.5
10.5

43006

Pointer Knob

Description
Plastic Knob
Material: Phenolic
Steel ting with set screw
PART NO.
D
d1
d2
H
h1
h2
l1
l2
43006
25
6
21
20
6
14
24
24

43007

Pointer Knob

Description
Plastic Knob
Material: Phenolic
Set screw
White epoxy painted indicator
PART NO.
D
d1
d2
H
h1
h2
l1
l2
43007
29
6
21.5
20
3.5
15
19
14

43009

Pointer Knob

Description
Plastic Knob
Material: Phenolic
Aluminum cap
Steel ring with set screw
PART NO.
D
d1
d2
H
h1
h2
L
43009
20
6
16.5
18.8
3
16
13.5

43012

Pointer Knob

Description
Plastic Knob
Material: Phenolic
Brass insert with set screw
PART NO.
D
d1
d2
H
h1
h2
l1
l2
43012
31
6
21.5
20
6.5
17.5
20
15.5

43013

Pointer Knob

Description
Plastic Knob
Material: Phenolic
Epoxy paint filled indicator
Brass insert with set screw
PART NO.
D
d
H
h
l1
l2
43013
22
6
17
9
16
16

43014

Pointer Knob

Description
Plastic Knob
Material: Phenolic
With set screw
PART NO.
D
d1
d2
H
h1
h2
l1
l2
43014
18.5
6
16.5
13
2.7
10
11.5
11.5

43015

Pointer Knob

Description
Plastic Knob
Material: Phenolic
Brass insert with set screw
PART NO.
D
d1
d2
H
h1
h2
l1
l2
43015
20.6
6
14
18
3
12
19
20

43016

Pointer Knob

Description
Plastic Knob
Material: Phenolic
Brass insert with set screw
Epoxy paint filled indicator
PART NO.
D
d1
d2
H
h1
h2
l1
l2
43016-1
20
6
17
12.5
3.0
11.0
17
15
43016-2
23
6
20
16.0
3.5
12.5
21
19

| PRODUCTS | ABOUT US | CONTACT | KNOB-TECHNICAL | SITE INDEX | METRIC CONVERSION CHART | DOWNLOAD CATALOG PDF |

© 2026 ORIGINAL ENGINEERED PRODUCTS LLC. All rights reserved. Terms and Conditions.